Digital Input with the HERON-FPGA3 Module

- Standard IP to provide 84 input lines, which are strobed into the module as six groups of 14
- Standard IP to provide custom I/O capability
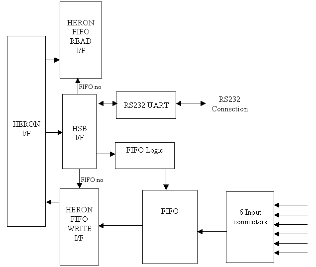
The input connectors have 15 digital inputs each. For each
connector the top (15th) bit is used as a strobe to clock data into
the module. A rising edge of this clock signal is used to register the other
14 inputs from that connector. Each time a strobe is received, the values of
the other 14 bits are first registered, and then written into the HERON FIFO
as part of a 32 bit word. The channel number that has received the data is
indicated in that word, along with an error bit.
The input buffers used in the FPGA design are LVTTL, so all inputs including the
clock must be 3.3V signals that meet an input low level of 0.8V and an input
high level of 2.0V. On the HERON-FPGA3V these signals must not be driven with 5V levels, but the HERON-FPGA3S is 5V tolerant.
The speed at which the other end of the FIFO is read will affect how fast data can
be strobed into the module. If the strobes occur at a rate higher than the FIFO is being emptied at the other
end, an overflow will occur and data will be lost. User LEDs are used to indicate that this has occurred. The event is latched and held for
0.1s so that the LED will be visible even if the event only occurs for a very short time.
This IP allows the use of HERON- FPGA3 for a custom I/O capability.
Functional Block Diagram

|